


This water-proof optical connector is protection class IP67, meaning that standard optical connector can be used in places such as outdoor and dusty environments.
The connection part has excellent water-proof properties; connection and removal can be easily conducted outside the housing.
Inspection is also easy to conduct; therefore inspection does not interfere with assembling parts or changing parts in the housing, making it also easy to handle.

→ Can slide sideways
| Models | Connector Interface |
Plugs | Receptacles | Adapters | Materials | Remarks |
|---|---|---|---|---|---|---|
| WB1 Series |
SC connector | WB1.SC |
WB1.SCR |
- | Zinc die-cast |
|
| LC connector | WB1.LC |
WB1.LCR |
WB1.LCA |
|||
| WB2 Series |
LC connector | WB2.LC |
WB2.LCR(W) |
- |
|
Mount the receptacle on the housing and connect between the standard optical connector inside the device and the waterproof optical connector plug.

Connect the waterproof optical connectors with each other via adapters.

| Waterproof connector type | Polishing method | Insertion loss | Return loss |
|---|---|---|---|
| WB1.SC/WB1.LC | SPC | 0.5 dB or less | 40 dB or more |
| WB2.LC | SPC | 0.5 dB or less | 40 dB or more |

→ Can slide sideways
| Structure | No. of fibers | A-end connector type |
B-end connector type |
Optical fiber symbol |
Cord diameter (mm) | Cable jacket color |
Cord jacket color |
Cable structure | Connector part specification number | ||
|---|---|---|---|---|---|---|---|---|---|---|---|
| 1 | 2 | With one end | With both ends | ||||||||
| Round type | ◯ | WB1.SC | WB1.SC | SM (PAPB) | 1.7 | Black | Yellow | NMC 1.7 type (non-metallic type) |
CAS1538174 | CAS1538175 | |
| Single-fiber connector | |||||||||||
| ◯ | WB1.LC | WB1.LC | CAS1538176 | CAS1538177 | |||||||
| Single-fiber connector | |||||||||||
| ◯ | WB2.LC | WB2.LC | MCFR 1.7 type (Metallic/flame-retardant type) |
CAS1538180 | CAS1538181 | ||||||
| Single-fiber connector | |||||||||||

| Mountable waterproof optical connector plug |
Applicable No. of fibers | 1-, 2-fiber |
|---|---|---|
| WB1.SC/ WB1.LC |
Strength member materials | FRP |
| Diameter of optical fiber (mm) | 0.9 | |
| Cord diameter (mm) | 1.7 | |
| Cable standard diameter (mm) | 7.0 | |
| Standard weight (kg/km) | 35 | |
| Allowable tensile strength (N) | 110 | |
| Allowable bending radius (mm) | 100 | |
| Compressive strength (N/100 mm) | 980 | |
| Flame-retardant | ー |

| Mountable waterproof optical connector plug |
Applicable No. of fibers | 2 fiber |
|---|---|---|
| WB2.LC | Strength member materials | Steel wire |
| Diameter of optical fiber (mm) | 0.9 | |
| Cord diameter (mm) | 1.7 | |
| Cable standard diameter (mm) | 8.5 | |
| Standard weight (kg/km) | 70 | |
| Allowable tensile strength (N) | 460 | |
| Allowable bending radius (mm) | 85 | |
| Compressive strength (N/100 mm) | 980 | |
| Flame-retardant | JIS C 3521 |
→ Can slide sideways
| Receptacles | Hole size for mounting housing | Adapters | |
|---|---|---|---|
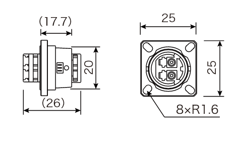
| WB1 | WB1.SCR [AS239433] (for WB1.SC) ![]() |
![]() |
- |
| WB1.LCR [AS239434] (for WB1.LC) ![]() |
WB1.LCA [AS239435] ![]() |
||
| WB2 | WB2.LCR2(W) [AS239478] (for WB2.LC) ![]() |
![]() |
- |
If you would like to request a quotation or have a detailed consultation, please use the inquiry form.
Contact usThis website uses Cookies for the purpose of improving our service, but we will not use Cookies to identify individuals. We shall obtain your agreement on the use of Cookies when you use this website. Please see our policy on protecting personal information to see how we handle personal information.